一、相序和相位及其测量的意义

在电力系统中,发电机、变压器等的相序和相位是否一致,直接关系到它们能否并列运行。同时,正、负相序的电源还直接影响到电动机的转动方向。所以,在三相电力系统中,常常需要测量设备的相序和相位,以确定其运行方式。
二、测量相序的方法
测量相序时,对于380V及以下的系统,可采用量程合适的相序表直接测量;对于高压系统,采用电压互感器在低压侧进行测量。
1.相序表测量
常用的相序表有旋转式和指示灯式两种。旋转式相序表,系采用微型电动机(或其它转动机构),并在其轴上装有指示旋转方向的转盘,测量时借其转动方向的不同,即可判断被测三相的正、负相序。这种相序表较易掌握,下面着重介绍指示灯式相序表。指示灯式相序表工作原理如图1-1:


在三相三线制电压对称平衡的系统中,若带上星形连接的不对称负载时,出现中性点位移电压。以正序为例,若使a相电容的容抗值 与b、c两相指示灯的电阻值R相等,以A相作基准向量,两中性点之间的电压、电源相电压和负载相电压如图1-2(b)所示。从计算结果和向量图中均明显看出,当三相电压为正相序时,b相指示灯比c相指示灯承受的电压高,故b相的指示灯比c相亮。当三相电压为负相序时,根据类似的计算和作图,会得出这时c相的指示灯比b相的亮,这就是电容式指示灯相序表的工作原理。
2.指示灯相序表的故障分析
当a相负载开路,b、c两相指示灯串联,并接在线电压ÙBC上,所以两相指示灯承受的电压相等,分别等于ÙbD和ÙcD,这时指示灯的亮度相同。
当a相负载短路,b、c两相指示灯将承受电源的线电压ÙAB和ÙAC,亮度亦相同。
3.电感式指示灯相序表
若将a相负载换成电感线圈L,b、c相仍为指示灯,并取电抗值XL=R值时,按照上述类似的计算和作图可知,当三相电压为正相序时,则c相的指示灯比b相亮。若三相电压为负相序时,其亮度相反,并随着电感L值的变化,负载中性点O将沿弧ag’D移动(图1-2,b)。

由电容和电感组成指示灯相序表的原理接线,如图1-3所示。当被测三相电压的相序为负相序时,则指示灯的亮和暗与图中的标示相反。
三、测量相位的方法
测量相位,是在有电磁连接的同一系统并列或环接、主变压器并列、以及新线路投入时不可缺少的试验项目之一。测量相位的目的在于判断相位和相序,防止由于彼此不一致,在并列时造成短路或出现巨大的环流而损坏设备,其测量方法如下。
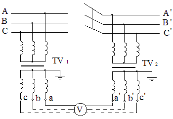
1.利用三相电压互感器低压侧测量相位
(1)确定高压侧的相位

需要确定双母线或分段母线的相位时,可利用系统中装设的三相电压互感器,如图1-4所示,在其低压侧利用电压表,依次测量aa'、ab'、ac'、ba'、bb'、bc'、ca'、cb'和cc'等九个数值,电压接近或等于零值,为同名端;电压为线电压者,为异名端。据此,则可判定对应端高压侧的相位。测量时,两个电压互感器的变比、组别应相同。高压侧的电压要基本一致,互差应不大于10%。
(2)确定低压侧的相位
在同一高压电源上,需要确定三相电压互感器低压侧的相位时,其试验接线如图1-5所示。测量时,按图1-5测量电压互感器低压侧任意两线端的电压,电压指示接近或为零者为同名端;约为线电压者,则为异名端。

2.利用单相电压互感器确定高压侧的相位
(1)在有直接电联系的系统定相

在有直接电联系的系统(如环接)中,可外接单相电压互感器,直接在高压侧测定相位。此时在电压互感器的低压侧接入0.5级的交流电压表,其接线如图1-6所示。在高压侧依次测量Aa、Ab、Ac、Ba、Bb、Bc、Ca、Cb和Cc间的电压,根据测量结果,电压接近或等于零者,为同相;为线电压者为异相。
测量时,必须注意以下事项:
①用绝缘棒将电压互感器的高压端,引接至被测的高压线端头,此时应特别注意人身和设备的安全;
②所采用的电压互感器,事前应经与被测设备同等绝缘水平的耐压试验;
③电压互感器的外壳和二次侧的一端连接并接地;
④绝缘棒应符合安全工具的使用规定,引线间及对地间应具有足够的安全距离;
⑤操作和读表人员应站在绝缘垫上,所处的位置应有足够的安全距离,并在负责人的指挥和监护下工作。
(2)在没有直接电联系的系统定相
在没有直接电联系(如两台需并列运行的变压器,或变电站需并入系统等)的系统中,用外接单相电压互感器在高压侧测定相位时,为了避免测量中由于被测设备对地电容的容抗,与电压互感器的电抗匹配,发生串联谐振造成事故。测量前应将某一对应端头(如A和a,A为运行系统的A相,a为待定设备的a相)连接起来,如图13-7中虚线所示(此时要特别注意,验明两系统确实无电联系,方可连接)。然后将两系统送电,在进行测量,依次读取Bb、Bc、Cb和Cc四个电压数值。判断相位的方法同上。为了避免对应端接错出现高电压损坏测量电压的互感器,最好用比被测电压高一级的电压互感器或用两个与被测电压同级的电压互感器串联测量。安全注意事项同(1)。
(3)用电阻定相杆测定相位
用电阻定相杆测定相位时,将定相的两杆分别接向两侧,当电压表(V)的指示接近或为零时,则对应的两侧属于同相;若电压表(V)的指示接近或大于线电压时,则对应的两侧属于异相。

定相杆的制作,在原理上和测量电位分布的电阻杆相同,其原理接线如图1-7所示。高电阻R约按每伏10kΩ选用;每个电阻的容量约为1瓦;分配的电压不应超过3kV;桥式整流元件可用锗二极管(2AP);滤波电容C在0.1~5微法范围选用;平衡电阻R1和R2为0.1~1MΩ,二者的数值相等;电压表可选用50~100微安量限的表头。
测量时,应按高压带电测量考虑有关的技术安全措施,如操作杆的绝缘、安全距离等,以保证人身和测量设备的安全。

对于电缆或架空输电线路,敷设后需要核对两端头是否同相,一般可用电池和指示灯(或欧姆表),按图1-8所示的接线,进行测定。此时,先将电池开关K,在线路一端一相(如C)接通(或接地),后将指示灯(或欧姆表)在线路的另一端依次接通A、B和C三相,如指示灯(L)发亮(或欧姆表指零或接近零)时,则表明该相和接电池(或接地)的导线同相。反之,则为异相。依次轮换重复测量三次,便可确定出三相的相别(虚线表示用欧姆表测定相别时的接线)。