高压开关的分、合闸速度,分、合闸时间,分、合闸不同期程度,以及分合闸线圈的动作电压,直接影响高压开关的关合和开断性能。高压开关只有保证适当的分、合闸速度,才能充分发挥其开断电流的能力,以及减小合闸过程中预击穿造成的触头电磨损及避免发生触头烧损、喷油,甚至发生爆炸。而刚合速度的降低,若合闸于短路故障时,由于阻碍触头关合电动力的作用,将引起触头振动或使其处于停滞状态,同样容易引起爆炸,特别是在自动重合闸不成功情况下更是如此。反之,速度过高,将使运动机构受到过度的机械应力,造成个别部件损坏或使用寿命缩短。同时,由于强烈的机械冲击和振动,还将使触头弹跳时间加长。真空和SF6高压开关的情况相似。
高压开关分、合闸严重不同期,将造成线路或变压器的非全相接入或切断,从而可能出现危害绝缘的过电压。
高压开关机械特性的某些方面是用触头动作时间和运动速度作为特征参数来表示的,在机械特性试验中一般最主要的是刚分速度、刚合速度、最大分闸速度、分闸时间、合闸时间、合-分时间、分-合时间以及分、合闸同期性等。
一、部分时间参量的定义
1.分闸时间
是指从高压开关分闸操作起始瞬间(接到分闸指令瞬间)起到所有极的触头分离瞬间为止的时间间隔。应具有很短的分闸时间,减少分闸时电弧的能量,防止电弧使触头熔焊。
2.合闸时间
是指处于分位置的高压开关,从合闸回路通电起到所有极触头都接触瞬间为止的时间间隔。合闸时间必须在规定的时间范围内。合闸时间太短,则系统短路时直流分量过大,可能会引起合闸困难;合闸时间太长,则影响系统的稳定性。
3.分-合时间
是高压开关在自动重合闸时,从所有极触头分离瞬间起至首先接触极接触瞬间为止的时间间隔。
4.合-分时间
是高压开关在不成功重合闸的合分过程中或单独合分操作时,从首先接触极的触头接触瞬间起到随后的分操作时所有极触头均分离瞬间为止的时间间隔。
5.分闸与合闸操作同期性
是指高压开关在分闸和合闸操作时,三相分断和接触瞬间的时间差,以及同相各灭弧单元触头分断和接触瞬间的时间差,前者称为相间同期性,后者称为同相各断口间同期性。
二、测量高压开关时间参量的方法
在高压开关的现场试验中,一般应进行分闸时间、合闸时间、分合闸同期性的测量,对于具有重合闸操作的高压开关,还需测量分-合时间和合-分时间。
1.用电秒表测量时间
电秒表具有测量简单、使用方便等优点。但是,电秒表难以准确测量相间或断口间不同期性,所以已逐渐被取代。
2.光线示波器测量时间
使用光线示波器可以测量高压开关分、合闸时间,同期差及分、合闸电磁铁的动作情况。这种方法具有测量准确、直观,且能同时测量多个时间参量等优点。
(1)测量基本原理。接线原理如图1-1所示,光线示波器的测试回路由电源E、开关S、可调电阻R、光线示波器振子g回路串联组成。
(2)单相单断口高压开关的时间测量,其测量接线如图1-2所示。


测量前,事先将电阻箱中的电阻r1、r2调节到适当值,当电路接通时,电路中的电流值应在示波器振子允许的范围之内。
(3)电流信号。在高压开关的机械试验中,通常将分闸和合闸电磁铁在操作高压开关分、合闸时的电流波形,称为电流信号。它是高压开关接受分闸和合闸操作指令的标志,这个标志是高压开关时间测量中不可缺少的信号,其测量原理接线如图1-3所示。
(4)高压开关的三相时间测量。一台高压开关一般由三相组成,所以在机械试验中必须测量三相的时间参数。图1-4示出了用光线示波器进行三相时间测量的接线图。


由于光线示波器时标范围宽、精度高,且能直观反映出高压开关在动作过程中有关参量的变化情况,因此,过去一直是测量高压开关机械特性的主要方法。随着电子技术的发展,出现了应用计算机技术测量高压开关机械动作各参数的仪器,已逐步取代了光线示波器的使用。
三、速度参量的定义
1.触头刚分速度
指开关分闸过程中,动触头与静触头分离瞬间的运动速度。技术条件无规定时,国家标准推荐取刚分后0.01s内平均速度作为刚分点的瞬时速度,并以名义超程的计算点作为刚分计算点。
2.触头刚合速度
指开关在合闸过程中,动触头与静触头接触瞬间的运动速度。技术条件无规定时,国家标准一般推荐取刚合前0.01s内平均速度作为刚合点的瞬时速度,并以名义超程的计算点作为刚合计算点。
3.最大分闸速度
指开关分闸过程中区段平均速度的最大值,但区段长短应按技术条件规定,如无规定,按0.01s计算。
四、测量高压开关速度参量的方法
高压开关的速度参量以其分、合闸速度来表示。由于高压开关在运动过程中每一时刻的速度是不同的,一般所关心的是刚分、刚合速度和最大速度。根据以上定义要求,下面介绍几种测量高压开关运动特性的方法。
1.电磁振荡器测速法
电磁振荡器测速原理如图1-5所示。

运动纸板通过测速杆与动触头连接。当振荡电磁铁线圈中通入50Hz交流电时,振动笔以100次/s的频率振动,在运动的纸板上绘出周期为0.01s的振荡波形。纸板上波形长度就是触头总行程,行程间对应的周波数,就是触头总运动时间。在触头运动过程中,由于每相邻波峰间时间间隔为0.01s,振动曲线最大波峰间的厘米数就是触头的最大速度值vmax。刚分(合)点位置的确定如图6-8所示。

在振荡波形图上,首先要分清楚分(合)闸曲线的两个端头中哪一端是分闸位置S1,哪一端是合闸位置S2,然后以合闸位置S2为起始点,向分闸方向量取一段等于高压开关超行程值的长度S0,以这一线段终点位置为动静触头刚分(合)时刻。按国家标准规定,取触头分离后(接触前)10ms内的速度为刚分(合)速度,所以视超行程终点落在曲线的什么相位,再取同相位的一个波长,即为所求刚分速度vF或刚合速度vH。
2.转鼓式、电位器式测速仪
转鼓式测速仪是以连接在动触头系统上的记录笔,沿以恒定角速度转动的转筒上所画的曲线来反映其运动情况的。而电位器式测速仪则是以其滑动触点在电阻杆上的不同位置所反映的电压值来测量高压开关的动作状况。这两种测量方法能直观判断高压开关触头在整个运动过程中有无卡涩和缓冲不良等异常现象,能够粗略测出高压开关的固有分、合闸时间,速度测量精度较高。这两种方法较为简单,缺点是较为笨重,功能单一,已很少使用。
五、高压开关特性测试仪
随着计算机技术的广泛应用,出现了高压开关特性测试仪。它能够在测试过程中,将开关的时间、速度等多项特性参数同时进行测量,提高了工作效率,这是开关测试的方向。
1.光电测速原理
由于光电测速方式结构简单、可靠,大多数开关特性测试仪都采用光电传感器进行开关的测速。光电测试是利用对检测到的光信号进行计数(或计时)来实现对触头行程和速度的测量的。图1-7中示出了光电测速结构示意图。

图1-7中,开有光孔的光栅尺通过测速杆与开关动触头连接。动触头运动时,带动光栅尺上下运动。发光管5发出的光线可通过光栅尺上的光孔照射到光敏接收管6上,或被光栅尺不透光部分遮挡。被检测到的光信号,经整形电路7转换成相应的方波信号,送入到高压开关测试仪进行计算处理。
下面,以武汉华电高科生产的GKC-H高压开关动特性测试仪为例,来说明这类仪器的使用。该仪器除能给出测试数据外,还能给出详细的波形图,并将开关行程曲线和断口波形绘制在同一张图上,从而可较直观地了解各量的情况和彼此间的相互关系,帮助分析开关的状态和工作情况,及时发现可能存在的某些缺陷和隐患。
2.连接和接线
图1-8示出了利用该类仪器对少油高压开关进行测试的接线图。图1-9示出了油高压开关测速传感器的安装示意图,其测速传感器通过管状支架固定在开关的上部。光栅尺穿过传感器,井通过测速杆与开关的动触头连接。测速信号电缆通过插头接于仪器背面的插孔中。


接线完成后,仪器即进入准备状态,高压开关一旦操作,仪器自动判断该次操作是分、合、合分或分合操作,并对有关参数进行测试。技显示或打印按钮,即可进行数据显示或打印输出。
3.真空高压开关的测试
真空高压开关的时间特性的测试方法与其他高压开关相同。对于真空高压开关,应注意其合闸弹跳时间不大于2ms。合闸弹跳时间过长,将加剧触头的烧损,甚至导致动静触头间的熔焊。真空高压开关的速度是按一定行程的平均值进行测试,通常采用一特制的辅助触点安装在真空高压开关的动触头端,利用其与真空高压开关的动触头的接触或分离来作为计时的起点或终点。
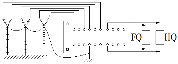
图1-10(a)示出了用该类高压开关测试仪对真空高压开关机械特性进行测试的原理接线图。图中的箭头表示测速的辅助触点。
图1-10(b)则为用于安装辅助触点的夹具的结构示意图。夹具1用于将其固定在高压开关动触头端附近合适的位置,当需要测合闸特性的时候,应让辅助触点刚好与高压开关动触头侧的动触头接触。这样测得的合闸平均速度即为该高压开关全部合闸行程的平均速度。当需要测分闸特性的时候,高压开关处于合闸位置则应使辅助触点放在离动触头运动方向上6mm处。这样测得的分闸平均速度,即为刚分6mm内的平均速度。

4.SF6高压开关的测试
由于SF6高压开关灭弧室不能打开,不能直接对动触头进行测试,通常是对SF6高压开关机构的可动部分进行测速。当对SF6高压开关测速时,可根据高压开关的具体结构,将传感头固定在适当位置,并将光栅尺通过某种方式与高压开关的运动部分连接,即可实现测速,其测速结果应满足该高压开关的技术条件的要求。